Web Analytics Made Easy - Statcounter

Danfoss VLT HVAC Drive Wiring Diagram: Simplify Your Installation! Danfoss vlt 2800 wiring diagram

If you are looking for Danfoss Vlt 2800 Wiring Diagram - Wiring Diagram Pictures you've visit to the right web. We have 25 Pics about Danfoss Vlt 2800 Wiring Diagram - Wiring Diagram Pictures like Danfoss Vlt Hvac Wiring Diagram - Wiring Diagram, Danfoss Vlt 2800 Wiring Diagram and also Danfoss Vlt Hvac Drive Wiring Diagram - Saga Now. Here you go:

Danfoss Vlt 2800 Wiring Diagram - Wiring Diagram Pictures

Danfoss Vlt 2800 Wiring Diagram - Wiring Diagram Pictures schematron.org

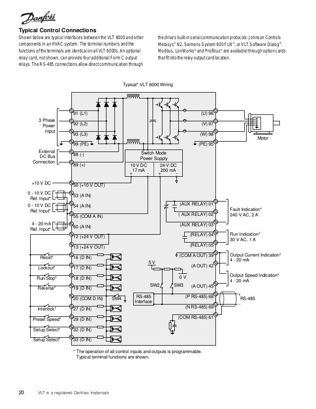
danfoss vlt 2800 hvac frequency inverter mga registered trademark

Danfoss Wiring Diagrams S Plan - Wiring Diagram

Danfoss Wiring Diagrams S Plan - Wiring Diagram wiringdiagram.2bitboer.com

danfoss wiring 302 inverter vlt diagrams

Danfoss Vlt Hvac Wiring Diagram - Wiring Diagram

Danfoss Vlt Hvac Wiring Diagram - Wiring Diagram wiringdiagram.2bitboer.com

Enhanced VLT® HVAC Drive FC 102 | Danfoss

Enhanced VLT® HVAC Drive FC 102 | Danfoss www.danfoss.com

danfoss vlt drive hvac fc drawings drives

Danfoss Vlt 2800 Wiring Diagram

Danfoss Vlt 2800 Wiring Diagram diagramweb.net

vlt danfoss wiring 2800 parameter drives

Danfoss Fc 202 Wiring Diagram - One Logic

Danfoss Fc 202 Wiring Diagram - One Logic one-logicz.blogspot.com

Danfoss Vfd Control Wiring Diagram

Danfoss Vfd Control Wiring Diagram www.circuitdiagram.co

Danfoss Vlt Hvac Wiring Diagram - Wiring Diagram

Danfoss Vlt Hvac Wiring Diagram - Wiring Diagram wiringdiagram.2bitboer.com

Danfoss Vlt 2800 Wiring Diagram

Danfoss Vlt 2800 Wiring Diagram diagramweb.net

danfoss vlt 2800 wiring

Danfoss Vlt Hvac Drive Fc 102 Wiring Diagram - Wiring Diagram

Danfoss Vlt Hvac Drive Fc 102 Wiring Diagram - Wiring Diagram wiringdiagram.2bitboer.com

Danfoss VLT 6000 Bypass Wiring Diagram Unveiled

Danfoss VLT 6000 Bypass Wiring Diagram Unveiled techdiagrammer.com

Danfoss Vlt 6000 Bypass Wiring Diagram - Dapperly

Danfoss Vlt 6000 Bypass Wiring Diagram - Dapperly dapperlyx.blogspot.com

Feldbus- Oder Analoge Schnittstelle? | Danfoss Discover Drives

Feldbus- oder analoge Schnittstelle? | Danfoss Discover Drives discover-drives.danfoss.com

Danfoss Vlt Hvac Drive Wiring Diagram - Saga Now

Danfoss Vlt Hvac Drive Wiring Diagram - Saga Now saga-nowz.blogspot.com

Danfoss Vlt Hvac Drive Fc 102 Wiring Diagram - Wiring Diagram

Danfoss Vlt Hvac Drive Fc 102 Wiring Diagram - Wiring Diagram wiringdiagram.2bitboer.com

Enhanced VLT® HVAC Drive FC 102 | Danfoss

Enhanced VLT® HVAC Drive FC 102 | Danfoss www.danfoss.com

danfoss 102 fc vlt drive hvac drives

Danfoss Vlt Hvac Drive Wiring Diagram - Saga Now

Danfoss Vlt Hvac Drive Wiring Diagram - Saga Now saga-nowz.blogspot.com

Enhanced VLT® HVAC Drive FC 102 | Danfoss

Enhanced VLT® HVAC Drive FC 102 | Danfoss www.danfoss.com

danfoss fc drive vlt hvac drives

Danfoss Vlt Hvac Wiring Diagram - Wiring Diagram

Danfoss Vlt Hvac Wiring Diagram - Wiring Diagram wiringdiagram.2bitboer.com

Danfoss Vfd Wiring Diagram

Danfoss Vfd Wiring Diagram snowjoesnowblowerquiz.blogspot.com

Danfoss Vlt Hvac Drive Fc 102 Wiring Diagram - Wiring Diagram

Danfoss Vlt Hvac Drive Fc 102 Wiring Diagram - Wiring Diagram wiringdiagram.2bitboer.com

Danfoss Vlt 2800 Wiring Diagram - Wiring Diagram Pictures

Danfoss Vlt 2800 Wiring Diagram - Wiring Diagram Pictures schematron.org

danfoss vlt 2800 mcd hvac устройство

Danfoss Vlt 2800 Wiring Diagram - Lace Art

Danfoss Vlt 2800 Wiring Diagram - Lace Art lace-art.blogspot.com

Danfoss Vlt 2800 Wiring Diagram - Wiring Diagram

Danfoss Vlt 2800 Wiring Diagram - Wiring Diagram wiringdiagram.2bitboer.com

Danfoss Vlt Wiring Diagram » Schema Digital

Danfoss Vlt Wiring Diagram » Schema Digital www.schemadigital.com

Danfoss vlt 2800 hvac frequency inverter mga registered trademark. Danfoss vlt hvac wiring diagram. Danfoss vfd control wiring diagram